Page 105 - 无损检测2025年第一期
P. 105
李邱达,等:
核级管道焊缝数字射线成像几何参数优化
表2 M310机组部分核级管道焊缝DR检测法与胶片照相法成像几何参数对比
最低透照次数 DR优化参数
管道直径×壁厚/
系统 焦距/mm
mm K=1.1 次数 焦距/mm
胶片-U g DR-U g
5 155~172
RRI 114.3×3.58 125 2 6 5
6 116~154
6 165~236
ASG 114.3×8.56 125 4 9 5
7 141~164
5 246~248
RCP 168.3×7.11 180 2 7 4 6 188~245
7 155~189
7 223~258
GCT 168.3× 14.27 180 5 10 5
8 200~222
5 309~326
RRA 219.1×8.18 230 2 7 4
6 236~308
GCT 219.1× 18.26 230 5 10 5 8 259~286
VVP 265×25 350 5 8 6 8 341~376
8 460~498
VVP 277×36.95 400 5 11 6 9 432~459
10 413~431
5 462~480
RCP 323.9×12.7 340 2 7 4
6 355~461
6 498~633
ARE 406.4×21.44 420 3 7 4
7 415~497
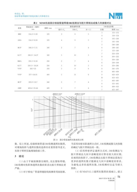
图 10 部分管道透照次数查图示例
数。综上所述,绘制核级管道DR检测透照次数图, 当采用双壁双影透照方式时,DR检测成像几何参数
对现场焦距与透照次数的选择具有重要指导意义, 的确定与胶片照相法的一致。
有助于顺利实施现场检验工作。 (3)采用单壁评定透照方式时,DR检测法与
胶片照相法几何不清晰度的计算有较大的区别,
3 结论
在相同的焦距下,DR检测法比胶片照相法需执行
(1)由于平板探测器呈刚性,无法紧贴焊缝, 更多的透照次数才能满足几何不清晰度的要求,
DR检测对焦距和透照次数的要求比胶片照相法更 为避免过多的透照次数,DR检测时应适当增大
严格。 焦距。
(2)对于核电厂管道焊缝射线检测常用放射源, (4)在NB47013. 2透照次数图的基础上,建立
71
2025 年 第 47 卷 第 1 期
无损检测

