Page 60 - 无损检测2024年第九期
P. 60
陈昱博,等:
基于电磁法的钢水液位检测
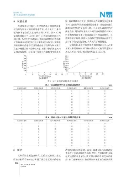
4 试验分析 同,随着其液位的变化,测量区域内磁阻的变化速率
不同,进而影响线圈磁通量的变化率,因此造成感应
在试验调试过程中,发现传感器反馈的感应电
线圈感应电压的变化率不同。为了减小弱磁材料的
压信号与钢水材料的磁导率有关,单片机A/D采样
测量误差,研制的钢水液位检测仪表对测量的金属材
值与钢水液位的关系曲线如图 9 所示。图 9(a)测
料按照相对磁导率分类为强磁材料和弱磁材料。在
量的是强磁材料Cr5钢;图9(b)测量的是弱磁材料
AF3钢。从图9中可以看出,测量强磁材料时传感器 检测弱磁材料时,程序对传感器反馈的感应电压信号
反馈的感应电压信号近似与钢水液位成正比,而测量 进行了分段线性化处理,大大提高了测量精度。
弱磁材料时传感器反馈的感应电压信号与钢水液位 研制的钢水液位检测装置测量强磁材料Cr5钢
在整个测量区间不呈线性关系,而在不同的测量区间 水液位和弱磁材料AF3钢水液位的试验结果分别如
呈现分段线性。这是由于金属材料的相对导磁率不 表3,4所示,可见,测量精度均在±1 mm内。
图 9 A/D 采样值与钢水液位关系曲线
表3 强磁金属材料液位测量试验结果 mm
实际液位高度 检测液位高度 实际液位高度 检测液位高度 实际液位高度 检测液位高度
0 0 9 8 18 18
1 1 10 9 19 19
2 2 11 10 20 20
3 3 12 12 21 21
4 4 13 13 22 22
5 5 14 14 23 23
6 6 15 15 24 24
7 6 16 16 25 25
8 7 17 17 26 26
表4 弱磁金属材料液位测量试验结果 mm
实际液位高度 检测液位高度 实际液位高度 检测液位高度 实际液位高度 检测液位高度
0 0 9 9 18 18
1 1 10 10 19 18
2 1 11 12 20 19
3 2 12 13 21 20
4 3 13 13 22 21
5 4 14 14 23 23
6 5 15 15 24 23
7 6 16 16 25 25
8 6 17 17 26 26
5 结论 式钢水液位检测装置。首先,通过有限元仿真试验
优化设计电磁式检测传感器;然后,在实验室用金属
文章采用建模仿真研究、实验室试验及工业试 标定块模拟钢水液位,验证钢水液位检测仪表的精
验验证相结合的方法,研制了满足精度要求的电磁 度;在工业现场试验,检验研制的钢水液位检测系统
26
2024 年 第 46 卷 第 9 期
无损检测

