Page 130 - 无损检测2021年第五期
P. 130
曾玉华, 等:
换热器传热管缺陷的涡流检测信号幅值与深度定量误差的关系
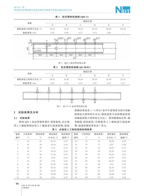
表 1 标定管缺陷参数 Q S1-3
缺陷位置
参数
A B C D E F
缺陷深度占壁厚百分比 / % 10.00 21.40 42.00 61.30 81.90 100.00
缺陷深度 / mm 0.12 0.26 0.51 0.74 0.99 -
图 1 QS1-3 标定管结构示意
表 2 标定管缺陷参数 Q 1-20-01
缺陷位置
参数
A B C D E F
缺陷深度占壁厚百分比 / % 18.00 40.90 60.60 22.00 40.90 61.00
缺陷深度 / mm 0.22 0.50 0.74 0.27 0.50 0.75
图 2 Q1-20-01 标定管结构示意
检测结果如表 3~6 所示( 表中计量深度为设计的缺
2 试验结果及分析
陷深度占壁厚的百分比, 测量深度为试验测量得到
2.1 试验结果 的缺陷深度占壁厚的百分比)。使用磨损标定管, 制
使用 QS1-3 标定管制作相位 - 深度曲线, 对点蚀 作幅值 - 深度 曲 线, 对 磨 损 类 人 工 缺 陷 进 行 涡 流 检
类人工缺陷和裂纹类人工缺陷进行涡流检测, 涡流 测, 涡流检测结果如表 7 所示。
表 3 点蚀类人工缺陷涡流检测结果
缺陷 计量深度 / 测量深度 / 深度偏差 缺陷测量 缺陷 计量深度 / 测量深度 / 深度偏差 缺陷测量
编号 % % 百分比 / % 幅值 / V 编号 % % 百分比 / % 幅值 / V
1 40 67 67.50 0.07 13 70 61 12.86 0.39
2 40 58 45.00 0.09 14 75 77 2.67 0.48
3 40 42 5.00 0.11 15 40 44 10.00 0.51
4 45 51 13.33 0.14 16 40 36 10.00 0.54
5 35 29 17.14 0.15 17 80 67 16.25 0.55
6 50 47 6.00 0.19 18 40 30 25.00 0.57
7 40 42 5.00 0.27 19 85 68 20.00 0.64
8 40 30 25.00 0.28 20 40 38 5.00 0.71
9 40 29 27.50 0.32 21 90 69 23.33 0.75
10 40 30 25.00 0.33 22 40 35 12.50 0.82
11 65 50 23.08 0.36 23 95 82 13.68 0.87
12 40 39 2.50 0.37 24 100 97 3.00 1.06
8
8
2021 年 第 43 卷 第 5 期
无损检测

